NEMEF série 1901- aktivní křídlo - panikový zámek pro dvoukřídlé dveře
Popis
ZADLABACÍ ZÁMEK MECHANICKÝ VLOŽKOVÝ S PANIKOVOU FUNKCÍ NEMEF série 1901
- aktivní křídlo - panikový zámek pro dvoukřídlé dveře.
Charakteristika ZADLABÁVACÍ ZÁMEK NEMEF 1901
- panikový zámek dle norem EN1125 a EN179
- panikový zámek pravo/levý použití do aktivního křídla dveří
- dveřní zámek zadlabací
- protipožární provedení
- ovládání přes cylindrickou vložku
- paniková funkce: v uzamčené pozici se střelka i závora zatahují z vnitřní strany stiskem kliky, z venkovní strany pouze klíčem
- varianta klika/klika - dělený ořech
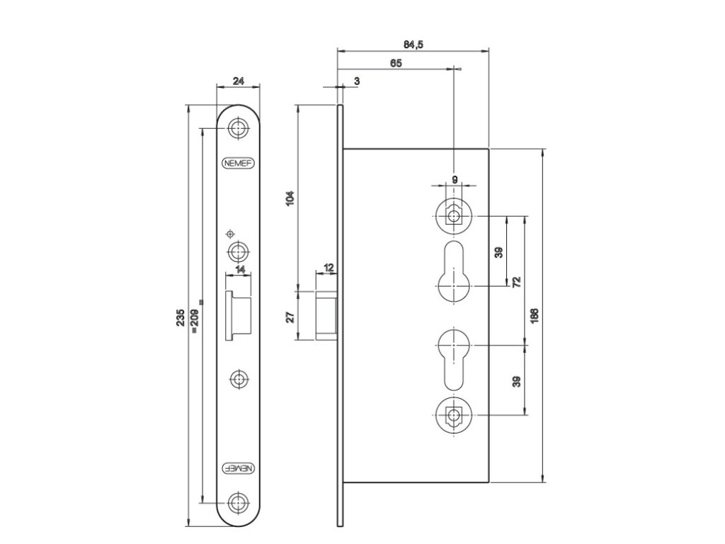
Technické údaje :
- rozteč 72mm, backset 65mm, hloubka zádlabu 84,5mm
- šířka čela 24mm, výška čela 235mm
- horní ořech dělený 9mm
- provedení výrobku - pozinkovaný povrch
Příslušenství:
| Hmotnost | 0.945 kg |
| Backset | 65mm |
| Čtyřhran | dělený 9mm |
| Hloubka zádlabu | 84,5mm |
| Panikový | ano |
| Protipožární | ano |
| Rozteč kování | 72mm |
| Samozamykací | ne |
| Šířka čela | 24mm |
Buďte první, kdo napíše příspěvek k této položce.
Přidat komentář
